8x12m house plan foundation layout drawing

8x12m house plan foundation layout drawing
Profile

Uploaded by:

Meera

Description
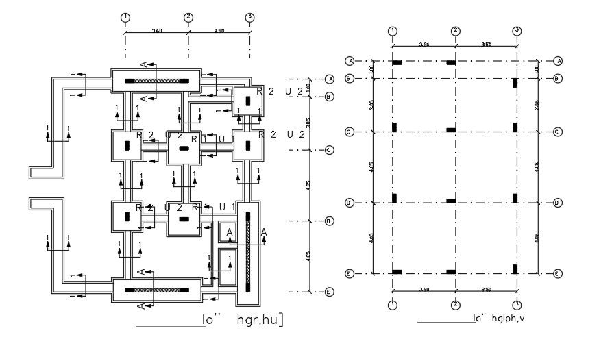
8x12m house plan foundation layout drawing is given in this AutoCAD file. The distance between each column is mentioned. For more details download the AutoCAD drawing file.
Profile

Uploaded by:

Meera

find Latest

Related Files

WhatsApp Chat