LOGIN
HOME
CATEGORIES
UPLOAD FILE
PRICING
HOUSE PLAN
ABOUT US
CONTACT US
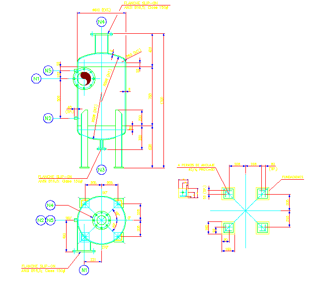
Storage of a condensed flash
Home
Categories
Details
Construction Details
Storage of a condensed flash
Uploaded by:
manveen
kaur
View Profile
View Profile
Description
This autocad file consists of details of Storage of a condensed flash along with its detailed side elevation, front elevation and plan.
File Type:
DWG
File Size:
37 KB
Category::
Details
Sub Category::
Construction Details
type:
Gold
Uploaded by:
manveen
kaur
View Profile
Download
Add to libary
find Latest
Related
Files