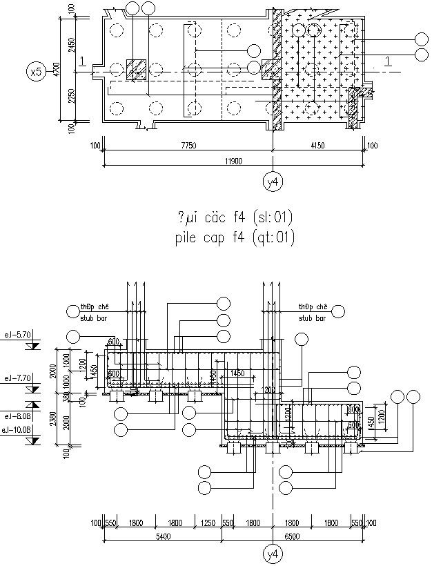
Details of reinforcement pile cap.
Description
The Architectural Drawing is AutoCAD 2d drawing Details of reinforcement pile cap. Pile foundations are principally used to transfer the loads from superstructures, through weak, compressible strata or water onto stronger, more compact, less compressible and stiffer soil or rock at depth, increasing the effective size of a foundation and resisting horizontal loads. The pile capacity is defined as the load mobilized at the pile head displacement of 10%B. the cone resistance at pile toe is used in the formulas and no averaging procedure is done. From: Piezocone and Cone Penetration Test (CPTu and CPT) Applications in Foundation Engineering, 2020. For more details and information download the drawing file.

Uploaded by:
Eiz
Luna

