Earthing loop details in AutoCAD, dwg file.
Description
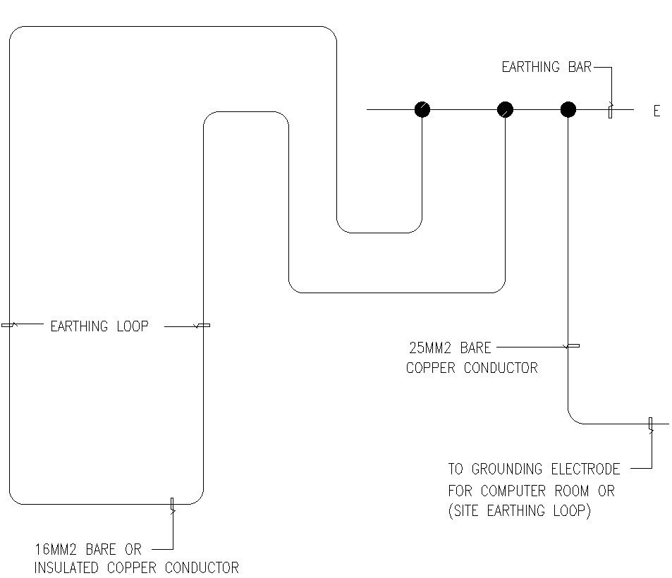
This Architectural Drawing is AutoCAD 2d drawing of Earthing loop details in AutoCAD, dwg file. A ground loop is a condition in an electrical system that contains multiple conductive paths for the flow of electrical current between two nodes. Multiple paths are usually associated with the ground or 0 V-potential point of the circuit.
File Type:
DWG
File Size:
371 KB
Category::
Electrical
Sub Category::
Electrical Automation Systems
type:
Gold

Uploaded by:
Eiz
Luna

