LOGIN
HOME
CATEGORIES
UPLOAD FILE
PRICING
HOUSE PLAN
ABOUT US
CONTACT US
Working plan detail dwg file
Home
Categories
Architecture
Corporate Building
Working plan detail dwg file
Uploaded by:
Dhara
View Profile
View Profile
Description
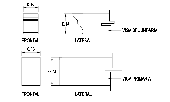
Working plan detail dwg file, Working plan detail with dimension detail, naming detail, both side tree detail, small size tree detail, garden area detail, etc.
File Type:
DWG
File Size:
163 KB
Category::
Architecture
Sub Category::
Corporate Building
type:
Gold
Uploaded by:
Dhara
View Profile
Download
Add to libary
find Latest
Related
Files