LOGIN
HOME
CATEGORIES
UPLOAD FILE
PRICING
HOUSE PLAN
ABOUT US
CONTACT US
Planning Automobile manufacturing plant detail
Home
Categories
Architecture
Corporate Building
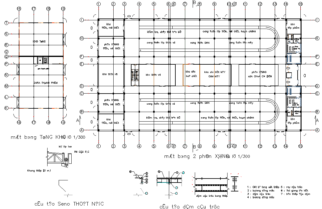
Planning Automobile manufacturing plant detail
Uploaded by:
Dhara
View Profile
View Profile
Description
Planning Automobile manufacturing plant detail, centre line plan detail, dimension detail, naming detail, toilet detail, etc.
File Type:
DWG
File Size:
497 KB
Category::
Architecture
Sub Category::
Corporate Building
type:
Gold
Uploaded by:
Dhara
View Profile
Download
Add to libary
find Latest
Related
Files