CAD RCC structural blocks 2d drawings in autocad file
Description
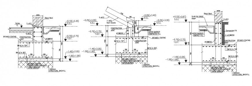
CAD RCC structural blocks 2d drawings in autocad file that includes foundation footing details with reinforcement details in tension and compression zone along with main and distribution hook up and bent up bars details. Stirrups are provided to hold up bars in postion and effective clear cover details also inlcueed in draiwngs. The syricture is a reinforced concrete cement (RCC) structure.
Uploaded by:
Eiz
Luna

