Running shoe multiple column sections and structure details dwg file
Description
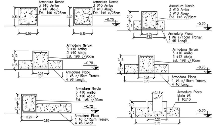
Running shoe multiple column sections and structure details that includes a detailed view of typical transverse reinforcement details with typical splice location for column, details of beam reinforcement passing through column with column junction details with dimensions details and much more of column details.
Uploaded by:
Eiz
Luna

