Lean concrete Sectional working drawing.
Description
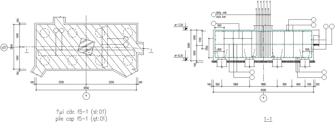
This Architectural Drawing is AutoCAD 2d drawing of Lean concrete Sectional working drawing. Lean concrete is used under the foundations. It is good for providing a flat bottom in uneven or dirt terrain. Lean concrete has a lower level of cement in it, which is why it's mostly used for fillings or under the foundations, to keep it protected from the soil. A lean mixture is a fuel/air mixture containing a relatively low proportion of fuel. A lean mixture can be caused by too little fuel or too much air. Too much oxygen indicates a lean mixture and the need for less fuel. For more details and information download the drawing file.

Uploaded by:
Eiz
Luna
