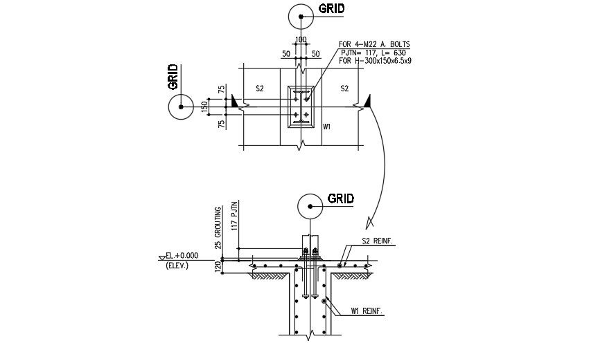
The pile foundation plan and section drawing is given in this file
Description
The pile foundation plan and section drawing is given in this file. This type of pile foundation is used to transfer the loads from superstructures, through weak, compressible strata or water onto stronger, more compact, less compressible and stiffer soil or rock at depth, increasing the effective size of a foundation and resisting horizontal loads.
Uploaded by:

