Rigid coupling detail drawing with dimension detail DWG AutoCAD file
Description
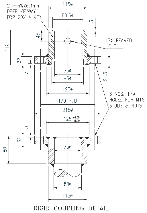
Discover the intricacies of rigid coupling design with our meticulously crafted detail drawing available in DWG AutoCAD file format. Dive into the precision of dimensions and specifications, aiding engineers and designers in their projects. Our comprehensive DWG file offers a seamless integration into your CAD software, providing a hassle-free experience for accessing detailed 2D drawings. Explore the robustness of rigid coupling mechanisms, meticulously depicted with accuracy and clarity. With our DWG AutoCAD file, gain insights into the intricate engineering behind coupling systems, facilitating seamless integration into your design processes. Elevate your projects with our meticulously crafted DWG file, ensuring precision and accuracy in your CAD drawings. Experience the convenience of accessing high-quality CAD files tailored to meet your design needs, simplifying your workflow and enhancing productivity.
File Type:
DWG
File Size:
1.5 MB
Category::
Mechanical and Machinery
Sub Category::
Mechanical Engineering
type:
Gold

Uploaded by:
Eiz
Luna

