LOGIN
HOME
CATEGORIES
UPLOAD FILE
PRICING
HOUSE PLAN
ABOUT US
CONTACT US
Beam section plan layout file
Home
Categories
Structure
Beam And Lintel
Beam section plan layout file
Uploaded by:
Dhara
View Profile
View Profile
Description
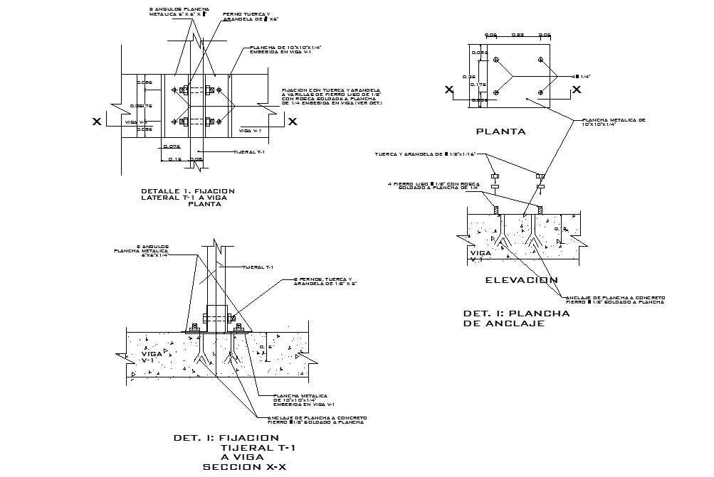
Beam section plan layout file, section lien detail, dimension detail, concert mortar detail, specification detail, bolt nut detail, etc.
File Type:
DWG
File Size:
2 MB
Category::
Structure
Sub Category::
Beam And Lintel
type:
Gold
Uploaded by:
Dhara
View Profile
Download
Add to libary
find Latest
Related
Files