House Project
Description
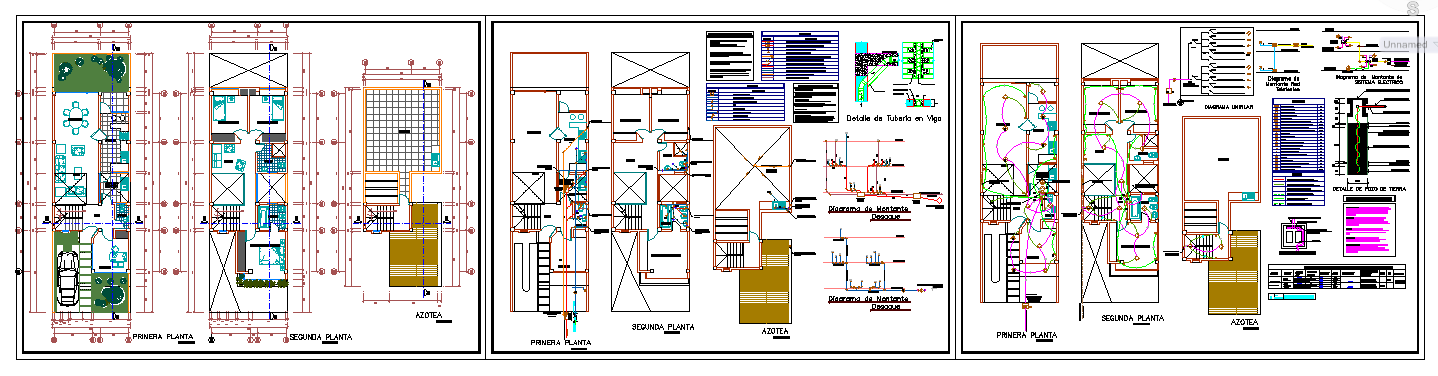
This architecture layout plan of all floor with all dimension, section plan and elevation design of house.House Project Download design, House Project DWG File, House Project DWG.

Uploaded by:
Harriet
Burrows

Uploaded by:
Burrows