Projects
Mechanical HVAC Control Diagrams for Air Handling and Ventilation
MORE DETAILS
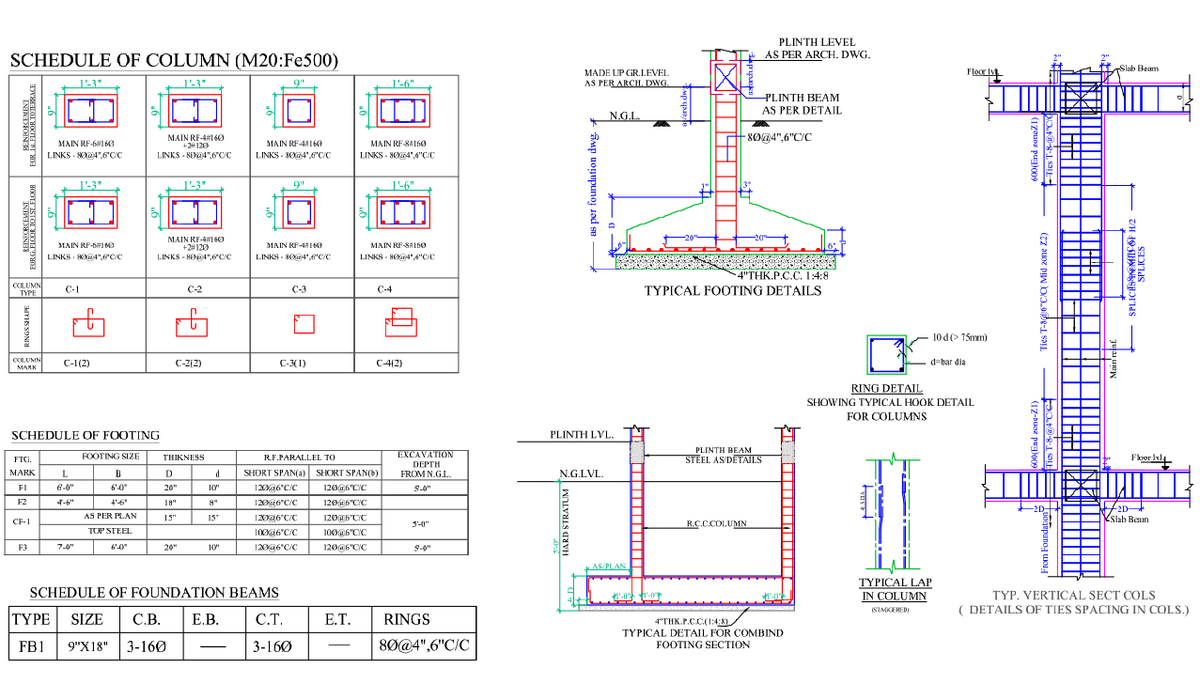
Structural Column Footing Foundation Drawing With M20 Fe500 Details
Proposed Twin Shop Commercial Building Plan Elevation Section AutoCAD
Auditorium Seating Arrangement Floor Plan With Row Layout AutoCAD
The First Floor Electrical and Sanitary Layout Plan with Load Details
Structural Steel Framing Drawing With Beam Column Elevation DWG
Two Storey House Foundation Sloof And Stair Detail DWG Files
Multi Storey Residential Building Floor Plan, Sections, Elevations DWG
Residential Housing Master Plan DWG with Multi-Unit Layout Design
Residential Fire Safety Layouts DWG for 5,313.27 m² Building
Industrial Production Line Layout DWG with 214.65 m² Floor Area
Proposed HDD Road Crossing Profile with 180 mm HDPE Pipeline Design