LOGIN
HOME
CATEGORIES
UPLOAD FILE
PRICING
HOUSE PLAN
ABOUT US
CONTACT US
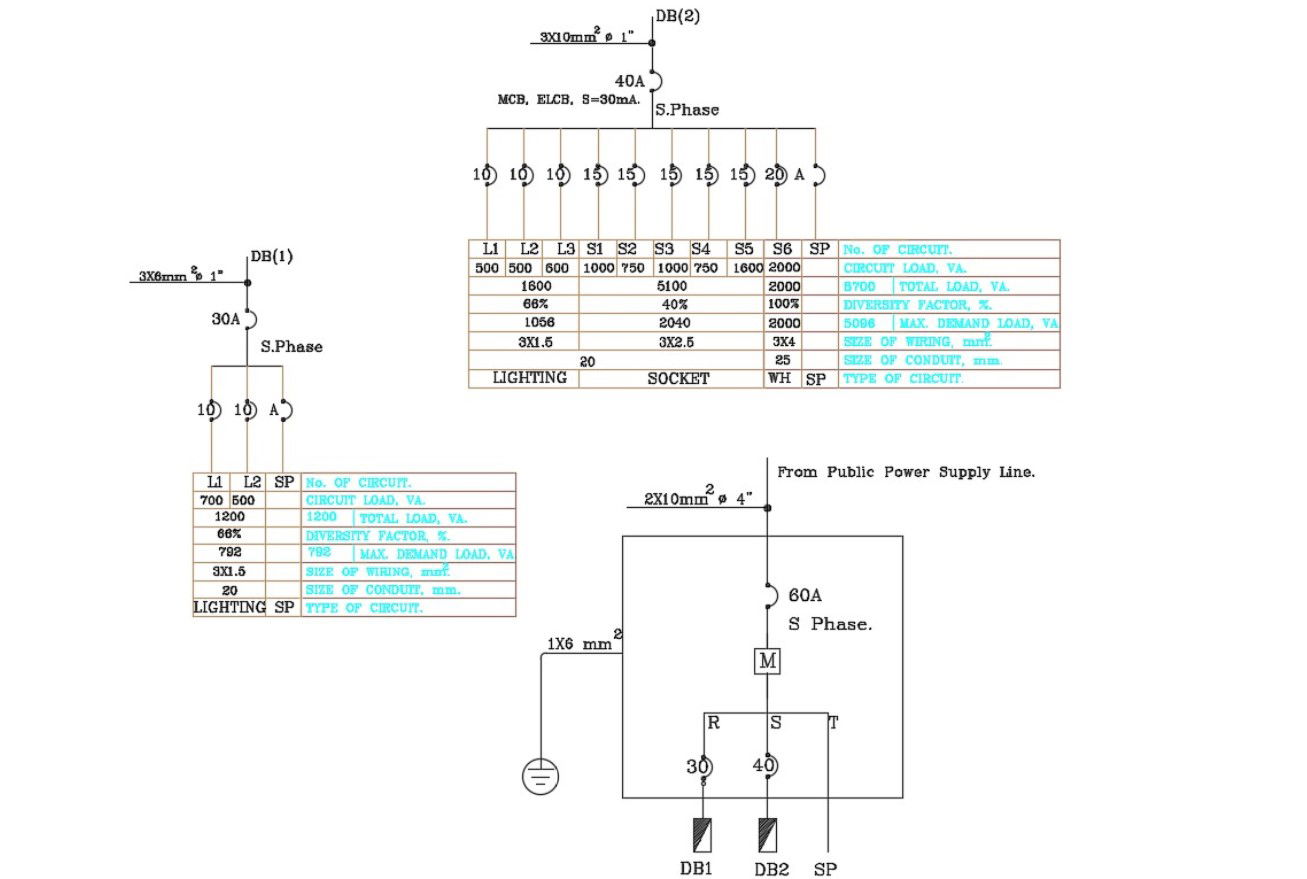
Electrical Power Supply Diagram DWG File
Home
Categories
Electrical
Light Fixtures & Fittings
Electrical Power Supply Diagram DWG File
Uploaded by:
Komal
View Profile
View Profile
Description
Download free DWG file of electrical distribution board CAD drawing shows power supply chain includes types of circuit, socket, size of wiring and lighting detail.
File Type:
DWG
File Size:
266 KB
Category::
Electrical
Sub Category::
Light Fixtures & Fittings
type:
Free
Uploaded by:
Komal
View Profile
Download
Add to libary
find Latest
Related
Files