Ree tower design with electric detail
Description
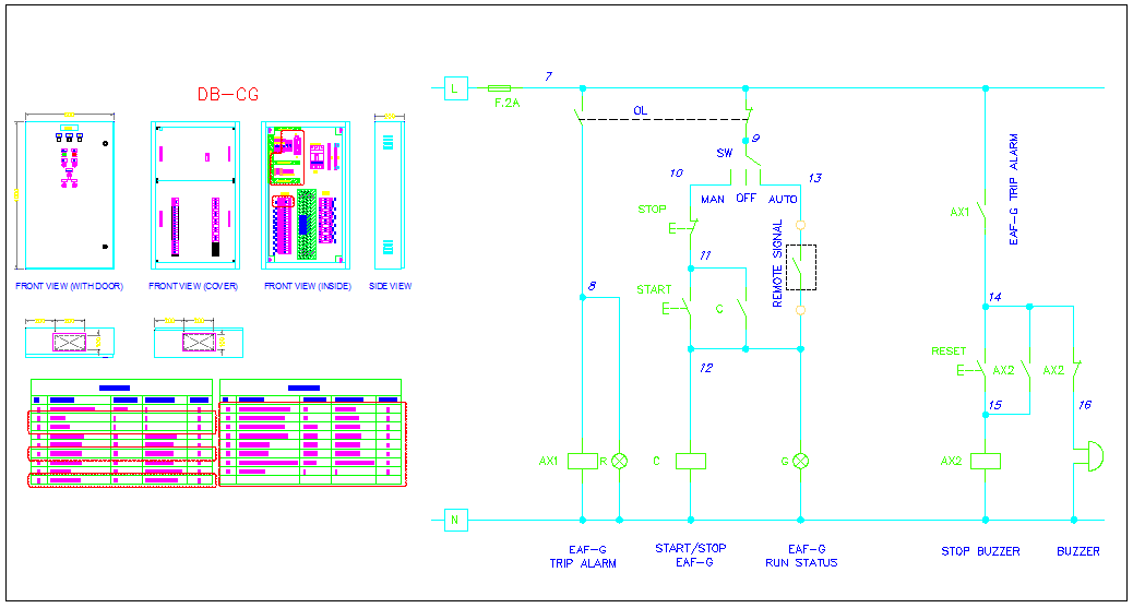
Ree tower design with electric detail dwg file with detail of bus bar box and remote
signal view with start,stop,alarm and buzzer with electric layout.
File Type:
DWG
File Size:
893 KB
Category::
Electrical
Sub Category::
Architecture Electrical Plans
type:
Gold

Uploaded by:
Liam
White

