House bedrooms ceiling plan and structure details dwg file
Description
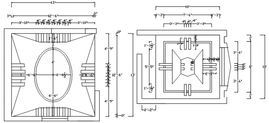
House bedrooms ceiling plan and structure details that includes a detailed view of Smooth embossed and riveted zinc-alum roof with structural osb board with expanded polystyrene, Extruded plywood and much more of ceiling details.
File Type:
DWG
File Size:
232 KB
Category::
Interior Design
Sub Category::
Bathroom Interior Design
type:
Gold
Uploaded by:
Eiz
Luna

