Detailed Exterior Hollow Metal Door in Brick Cavity Wall Section In DWG File
Description
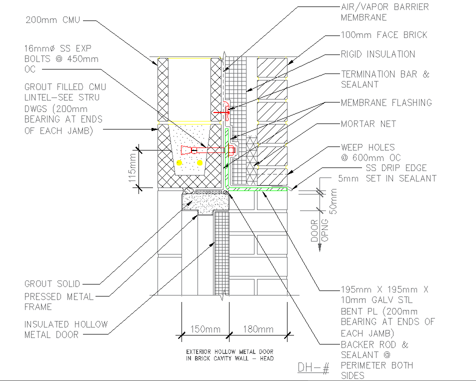
Explore the intricacies of a meticulously crafted exterior hollow metal door seamlessly integrated into a brick cavity wall section, available for your convenience in the AutoCAD DWG file format. This detailed drawing vividly depicts the assembly process within a 200mm CMU (Concrete Masonry Unit) structure, featuring key elements such as an air/vapour barrier membrane, 100mm face brick, rigid insulation, termination bar & sealant, mortar net, and grout-solid pressed metal frame. The AutoCAD file provides a comprehensive view of the meticulous design, offering valuable insights into the construction sequence and materials utilised. Discover the optimal balance between aesthetics and functionality as the exterior hollow metal door harmoniously integrates with the bricks cavity wall section, providing a seamless solution for architectural and construction needs. Download the CAD files now to access a wealth of information and enhance your project with precision and efficiency.
File Type:
DWG
File Size:
324 KB
Category::
Dwg Cad Blocks
Sub Category::
Windows And Doors Dwg Blocks
type:
Gold
Uploaded by:
K.H.J
Jani

